温州市升迪阀门科技有限公司
公司地址: 浙江省温州经济技术开发区四道四路
联 系 人: 候中柱(销售总监)
手 机:15325776955(微信)

卫生级安全阀它能保护设备,安装在排放压力的回路,对管路、泵、装置、储罐等起安全保护作用。
A81X卫生级不锈钢安全阀在系统中起安全保护作用。当系统压力超过规定值时,卫生级安全阀打开,将系统中的一部分气体/流体介质排入大气/管道外,使系统压力不超过允许值,从而保证系统不因压力过高而发生事故。
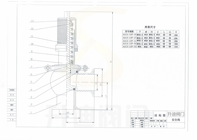
卫生级安全阀技术参数
连接形式:快装式、螺纹式、焊接式、法兰式
材质:SUS304、SUS316L
规格:DN20~DN80
温度:<=150℃
压力:<=1.0Mpa
适用于食品、生物、制药酵罐和管道气体的回收及排气并保持稳定罐内及管道压力

[上一条]:卫生级法兰安全阀
[下一条]:不锈钢安全阀(球柄式)